| الفولطية: | |
|---|---|
| التصنيف الحالي: | |
| التردد المقدر : | |
| توافر الحالة: | |
KYN28A-12
Zhegui Electric
3.6-12 كيلو فولت
630A-3150A
50/60 هرتز
1 قطعة
IP4X
مجموعة المفاتيح الكهربائية ذات الجهد المتوسط من سلسلة KYN28
عرضت
ثلاثة
آيزو سي سي سي آي إي سي
ملخص
إن مجموعة المفاتيح الكهربائية ذات الجهد المتوسط KYN28 عبارة عن جهاز داخلي متطور قابل للسحب مغطى بالمعدن، مصمم بدقة لأنظمة التيار المتردد ثلاثية الطور 3.6 كيلو فولت إلى 12 كيلو فولت والتي تعمل عند 50/60 هرتز. تعد مجموعة المفاتيح الكهربائية هذه جزءًا لا يتجزأ من شبكات نقل وتوزيع الطاقة ويتم استخدامها على نطاق واسع في البنية التحتية الكهربائية للمؤسسات الصناعية والتعدينية، وكذلك في محطات الطاقة والمحطات الفرعية. لقد تم تصميمه لكل من التكوينات المقطعية للحافلة الفردية والحافلة الفردية، مما يوفر إمكانات تحكم وحماية ومراقبة لا مثيل لها لأنظمة الطاقة ذات الجهد المتوسط.
الظروف البيئية
درجة حرارة الهواء المحيط: درجة الحرارة القصوى +40 درجة مئوية، درجة الحرارة الدنيا -15 درجة مئوية؛
الرطوبة النسبية: متوسط الرطوبة النسبية اليومية: ≥ 95%، متوسط ضغط بخار الماء اليومي لا يتجاوز 2.2KPa؛ متوسط الرطوبة النسبية الشهرية ≥ 90%؛ متوسط ضغط البخار الشهري لا يتجاوز 1.8 كيلو باسكال؛
الارتفاع: ≥ 1000 م؛
شدة الزلزال: لا تزيد عن 8 درجات؛
يجب أن يكون الهواء المحيط خاليًا من الغازات المسببة للتآكل أو القابلة للاشتعال وبخار الماء وغيرها من التلوث الواضح؛
لا يوجد موقع اهتزاز شديد.
ميزات المنتج
تدابير السلامة المحسنة: الامتثال للمعايير الدولية مثل IEC60298، تشتمل مجموعة المفاتيح الكهربائية KYN28 على ميزات أمان متقدمة. يتضمن ذلك آليات لمنع العمليات العرضية مثل التشغيل الخاطئ لعربة قاطع الدائرة الكهربائية تحت الحمل، والإغلاق أو الفتح غير المقصود لقاطع الدائرة الكهربائية، وتعشيق قاطع الدائرة الكهربائية مع تنشيط مفتاح التأريض، والوصول غير المصرح به إلى الأجزاء النشطة، والتشغيل غير الصحيح لقاطع الدائرة الكهربائية مفتاح التأريض النشط.
توافق واسع: تم تصميم مجموعة المفاتيح الكهربائية هذه لتكون متوافقة مع مجموعة واسعة من قواطع الدائرة الكهربائية، بدءًا من الموديلات المحلية مثل VCA وVS1 وحتى العلامات التجارية المعترف بها عالميًا مثل ABB's VD4-I2 وSchneider's EV 12S. ويضمن هذا التنوع قدرتها على تلبية الاحتياجات المتنوعة للعملاء في مختلف القطاعات.
التحكم الذكي: مجهز لاستضافة العديد من أجهزة حماية التتابع المعتمدة على المعالجات الدقيقة، يتيح KYN28 التكامل السلس مع شبكات التحكم في ناقل المجال من خلال واجهة اتصال CAN. وهذا يسهل وظائف التحكم المتطورة، بما في ذلك التحكم عن بعد، والقياس عن بعد، والإشارات عن بعد، والتعديلات عن بعد، وتبسيط إدارة النظام وتعزيز الكفاءة التشغيلية.
تصميم مدمج وسهولة الصيانة: مصنوعة من مواد متميزة وتستخدم أحدث الآلات CNC، وتتميز مجموعة المفاتيح الكهربائية بتصميم مدمج وقوي يعمل على تبسيط عملية التركيب والصيانة. مكونات عربة اليد الخاصة بها عبارة عن وحدات معيارية، مما يسمح بسهولة الاستبدال والترقيات مما يساهم في تقليل تكاليف الصيانة.
عزل وتبريد فائقين: تتميز مجموعة المفاتيح الكهربائية بتصميم يعزل الأجزاء الوظيفية المختلفة، مما يضمن تعزيز السلامة والموثوقية. كما أنها مجهزة بقنوات مخصصة لتخفيف الضغط ونظام تبريد فعال، مما يضمن أداءً ثابتًا حتى في ظل فترات التشغيل الطويلة.
ملخص
إن مجموعة المفاتيح الكهربائية ذات الجهد المتوسط KYN28 عبارة عن جهاز داخلي متطور قابل للسحب مغطى بالمعدن، مصمم بدقة لأنظمة التيار المتردد ثلاثية الطور 3.6 كيلو فولت إلى 12 كيلو فولت والتي تعمل عند 50/60 هرتز. تعد مجموعة المفاتيح الكهربائية هذه جزءًا لا يتجزأ من شبكات نقل وتوزيع الطاقة ويتم استخدامها على نطاق واسع في البنية التحتية الكهربائية للمؤسسات الصناعية والتعدينية، وكذلك في محطات الطاقة والمحطات الفرعية. لقد تم تصميمه لكل من التكوينات المقطعية للحافلة الفردية والحافلة الفردية، مما يوفر إمكانات تحكم وحماية ومراقبة لا مثيل لها لأنظمة الطاقة ذات الجهد المتوسط.
الظروف البيئية
درجة حرارة الهواء المحيط: درجة الحرارة القصوى +40 درجة مئوية، درجة الحرارة الدنيا -15 درجة مئوية؛
الرطوبة النسبية: متوسط الرطوبة النسبية اليومية: ≥ 95%، متوسط ضغط بخار الماء اليومي لا يتجاوز 2.2KPa؛ متوسط الرطوبة النسبية الشهرية ≥ 90%؛ متوسط ضغط البخار الشهري لا يتجاوز 1.8 كيلو باسكال؛
الارتفاع: ≥ 1000 م؛
شدة الزلزال: لا تزيد عن 8 درجات؛
يجب أن يكون الهواء المحيط خاليًا من الغازات المسببة للتآكل أو القابلة للاشتعال وبخار الماء وغيرها من التلوث الواضح؛
لا يوجد موقع اهتزاز شديد.
ميزات المنتج
تدابير السلامة المحسنة: الامتثال للمعايير الدولية مثل IEC60298، تشتمل مجموعة المفاتيح الكهربائية KYN28 على ميزات أمان متقدمة. يتضمن ذلك آليات لمنع العمليات العرضية مثل التشغيل الخاطئ لعربة قاطع الدائرة الكهربائية تحت الحمل، والإغلاق أو الفتح غير المقصود لقاطع الدائرة الكهربائية، وتعشيق قاطع الدائرة الكهربائية مع تنشيط مفتاح التأريض، والوصول غير المصرح به إلى الأجزاء النشطة، والتشغيل غير الصحيح لقاطع الدائرة الكهربائية مفتاح التأريض النشط.
توافق واسع: تم تصميم مجموعة المفاتيح الكهربائية هذه لتكون متوافقة مع مجموعة واسعة من قواطع الدائرة الكهربائية، بدءًا من الموديلات المحلية مثل VCA وVS1 وحتى العلامات التجارية المعترف بها عالميًا مثل ABB's VD4-I2 وSchneider's EV 12S. ويضمن هذا التنوع قدرتها على تلبية الاحتياجات المتنوعة للعملاء في مختلف القطاعات.
التحكم الذكي: مجهز لاستضافة العديد من أجهزة حماية التتابع المعتمدة على المعالجات الدقيقة، يتيح KYN28 التكامل السلس مع شبكات التحكم في ناقل المجال من خلال واجهة اتصال CAN. وهذا يسهل وظائف التحكم المتطورة، بما في ذلك التحكم عن بعد، والقياس عن بعد، والإشارات عن بعد، والتعديلات عن بعد، وتبسيط إدارة النظام وتعزيز الكفاءة التشغيلية.
تصميم مدمج وسهولة الصيانة: مصنوعة من مواد متميزة وتستخدم أحدث الآلات CNC، وتتميز مجموعة المفاتيح الكهربائية بتصميم مدمج وقوي يعمل على تبسيط عملية التركيب والصيانة. مكونات عربة اليد الخاصة بها عبارة عن وحدات معيارية، مما يسمح بسهولة الاستبدال والترقيات مما يساهم في تقليل تكاليف الصيانة.
عزل وتبريد فائقين: تتميز مجموعة المفاتيح الكهربائية بتصميم يعزل الأجزاء الوظيفية المختلفة، مما يضمن تعزيز السلامة والموثوقية. كما أنها مجهزة بقنوات مخصصة لتخفيف الضغط ونظام تبريد فعال، مما يضمن أداءً ثابتًا حتى في ظل فترات التشغيل الطويلة.
| غرض | وحدة | بيانات | |
| الجهد المقنن | كيلو فولت | 3.6、7.2、12 | |
| التردد المقدر | هرتز | 50 | |
| تصنيف قاطع الدائرة الحالية | A | 630、1250、1600、2000、2500、3150 | |
| التصنيف الحالي للمفاتيح الكهربائية | A | 630、1250、1600、2000、2500、3150 | |
| تصنيف الصمود الحالي لفترة قصيرة (4S) | كا | 20、25、31.5、40 | |
| الذروة المقدرة تحمل التيار (الذروة) | كا | 50、63、80、100 | |
| تصنيف كسر ماس كهربائى الحالي | كا | 20、25、31.5、40 | |
| تصنيف إغلاق الدائرة القصيرة (الذروة) | كا | 50、63、80、100 | |
| مستوى العزل المقدر 1 دقيقة تردد الطاقة يتحمل الجهد الكهربي | بين القطبين، القطبين على الأرض | كيلو فولت | 24、32、42 |
| بين الكسور | كيلو فولت | 24、32、42 | |
| دفعة البرق تحمل الجهد (الذروة) | بين القطبين، القطبين على الأرض | كيلو فولت | 40、60、75 |
| بين الكسور | كيلو فولت | 46、70、85 | |
| فئة الحماية | العلبة هي IP4X، وأبواب غرفة المقصورة وقاطع الدائرة هي IP2X عند فتحها. |
ملحوظة: منتجات قابلة للتخصيص (الجهد المقنن: 24 كيلو فولت)، يرجى استشارة شركتنا للحصول على بيانات مفصلة
.
| غرض | وحدة | بيانات | |
| الجهد المقنن | كيلو فولت | 3.6、7.2、12 | |
| التردد المقدر | هرتز | 50 | |
| تصنيف قاطع الدائرة الحالية | A | 630、1250、1600、2000、2500、3150 | |
| التصنيف الحالي للمفاتيح الكهربائية | A | 630、1250、1600、2000、2500、3150 | |
| تصنيف الصمود الحالي لفترة قصيرة (4S) | كا | 20、25、31.5、40 | |
| الذروة المقدرة تحمل التيار (الذروة) | كا | 50、63、80、100 | |
| تصنيف كسر ماس كهربائى الحالي | كا | 20、25、31.5、40 | |
| تصنيف إغلاق الدائرة القصيرة (الذروة) | كا | 50、63、80、100 | |
| مستوى العزل المقدر 1 دقيقة تردد الطاقة يتحمل الجهد الكهربي | بين القطبين، القطبين على الأرض | كيلو فولت | 24、32、42 |
| بين الكسور | كيلو فولت | 24、32、42 | |
| دفعة البرق تحمل الجهد (الذروة) | بين القطبين، القطبين على الأرض | كيلو فولت | 40、60、75 |
| بين الكسور | كيلو فولت | 46、70、85 | |
| فئة الحماية | العلبة هي IP4X، وأبواب غرفة المقصورة وقاطع الدائرة هي IP2X عند فتحها. |
ملحوظة: منتجات قابلة للتخصيص (الجهد المقنن: 24 كيلو فولت)، يرجى استشارة شركتنا للحصول على بيانات مفصلة
.
وصف حجم المنتج

| الارتفاع ب (مم) | 2300 | |
| العرض أ (مم) | التيار المقدر 40KA للحافلة الفرعية الصغيرة يصل إلى 1250A، والتيار الحراري المستقر 40KA | 800 |
| التيار المقنن للحافلة الفرعية الصغيرة يزيد عن 1600 أمبير | 100 | |
| العمق ج (مم) | كابل الوارد والخروج | 1500 |
| النفقات العامة الواردة والخروج | 1660 | |
| بالوزن (كجم) | 700-1200 | |
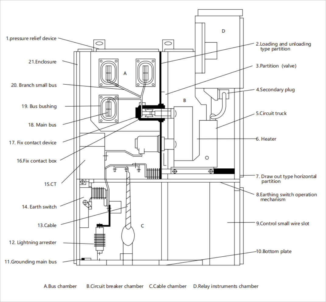
هيكل المنتج

مقصورة للحافلات
حجرة قاطع الدائرة ب
مقصورة الكابل C
مقصورة أداة التتابع D
1.1 غطاء تحرير الضغط
1.2 غطاء المرور الثانوي
3 جلبة للحافلة
4 بار حافلات رئيسي
5 اتصال ثابت
6 صندوق جهات الاتصال
7 ش
8 مفتاح التأريض
9 كابل
10 مانعة الصواعق من أكسيد الزنك
11 شريط التأريض
12 قسم
13 مصراع
14 كتلة اتصال ثانوية
15 عربة يدوية من قاطع الدائرة الكهربائية
16 حرارة
17 فتحة تشغيل لعربة اليد
18 عمود التشغيل لمفتاح التأريض
19 لوحة سفلية
وصف حجم المنتج

| الارتفاع ب (مم) | 2300 | |
| العرض أ (مم) | التيار المقدر 40KA للحافلة الفرعية الصغيرة يصل إلى 1250A، والتيار الحراري المستقر 40KA | 800 |
| التيار المقنن للحافلة الفرعية الصغيرة يزيد عن 1600 أمبير | 100 | |
| العمق ج (مم) | كابل الوارد والخروج | 1500 |
| النفقات العامة الواردة والخروج | 1660 | |
| بالوزن (كجم) | 700-1200 | |
هيكل المنتج

مقصورة للحافلات
حجرة قاطع الدائرة ب
مقصورة الكابل C
مقصورة أداة التتابع D
1.1 غطاء تحرير الضغط
1.2 غطاء المرور الثانوي
3 جلبة للحافلة
4 بار حافلات رئيسي
5 اتصال ثابت
6 صندوق جهات الاتصال
7 ش
8 مفتاح التأريض
9 كابل
10 مانعة الصواعق من أكسيد الزنك
11 شريط التأريض
12 قسم
13 مصراع
14 كتلة اتصال ثانوية
15 عربة يدوية من قاطع الدائرة الكهربائية
16 حرارة
17 فتحة تشغيل لعربة اليد
18 عمود التشغيل لمفتاح التأريض
19 لوحة سفلية
حقوق الطبع والنشر Copyright © Zhejiang Zhegui Electric Co., Ltd. is founded in Zhejiang, China.